• APR 3500
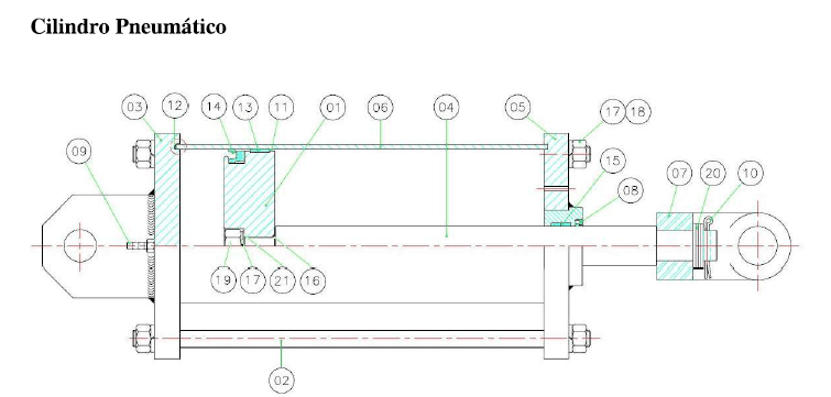
  • Cilindro Pneumatico
  • Conjunto Lubrificador
  • Controle Remoto
  • Rampa Pneumatica